چرا یک قطعه فلزی با ظاهر بینقص، تحت بارگذاری ناگهان دچار شکست میشود؟ پاسخ در ساختار درونی آن نهفته است که با چشم غیرمسلح قابل مشاهده نیست. آزمون متالوگرافی ابزاری قدرتمند برای نفوذ به این دنیای پنهان و درک ارتباط مستقیم بین ریزساختار و خواص مکانیکی است. این تکنیک برای کنترل کیفیت، تحلیل شکست و بهینهسازی فرآیندها حیاتی میباشد. مجموعه سخت افزا با بهرهگیری از آزمایشگاه پیشرفته خود، خدمات تخصصی آزمون متالوگرافی را برای تضمین کیفیت فرآیندهای عملیات حرارتی و ارتقای محصولات صنعتی ارائه میدهد.

آزمون متالوگرافی چیست؟
متالوگرافی، علم و هنر آمادهسازی نمونههای فلزی و مطالعه ریزساختار (Microstructure) آنها با استفاده از میکروسکوپ است. این آزمون مشابه پاتولوژی دنیای فلزات عمل میکند. تست متالوگرافی با آشکارسازی ویژگیهایی مانند اندازه دانه، فازهای تشکیلدهنده، آخالها و عیوب، به ما اجازه میدهد تا فرآیندهای تولید، عملیات حرارتی و دلایل رفتار مکانیکی قطعه را بهطور دقیق تحلیل کنیم. هدف نهایی این دانش، برقراری یک ارتباط منطقی و قابل پیشبینی بین ساختار میکروسکوپی و خواص ماکروسکوپی مانند استحکام، سختی و شکلپذیری است. در ادامه دو سطح بررسی متالوگرافی را بررسی میکنیم.
متالوگرافی ماکروسکوپی (Macrography)
متالوگرافی ماکروسکوپی به بررسی ساختار فلزات با چشم غیرمسلح یا با بزرگنمایی بسیار کم (معمولا کمتر از 50 برابر) میپردازد. هدف اصلی در اینجا، مشاهده ویژگیهای کلی و الگوهای ساختاری در مقیاس بزرگ است که در سراسر قطعه وجود دارند. از کاربردهای کلیدی متالوگرافی ماکروسکوپی میتوان به بررسی عمق نفوذ جوش، مشاهده خطوط جریان مواد در فرآیند فورج، ارزیابی الگوهای انجماد در قطعات ریختگی و شناسایی ترکهای سطحی اشاره کرد. این روش یک دید کلی و سریع از یکنواختی فرآیند تولید ارائه میدهد.
متالوگرافی میکروسکوپی (Micrography)
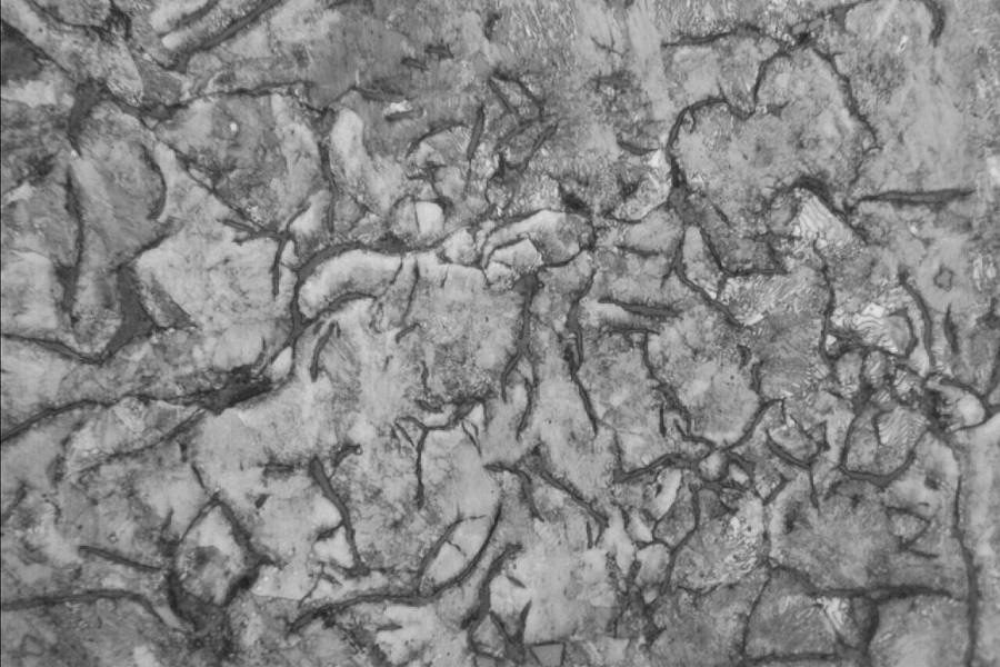
متالوگرافی میکروسکوپی، مطالعه دقیق ریزساختار فلزات در بزرگنماییهای بالا (معمولا بین 50 تا 2000 برابر) با استفاده از میکروسکوپهای نوری یا الکترونی است. در این سطح، جزئیات بسیار دقیقی مانند مرزدانهها، فازهای متالورژیکی مختلف، آخالهای غیرفلزی و عیوب میکروسکوپی آشکار میشوند. این سطح از تحلیل برای کنترل دقیق عملیات حرارتی، تعیین علت ریشهای شکست قطعات و فعالیتهای تحقیق و توسعه بر روی آلیاژهای پیشرفته، یک ابزار ضروری بهشمار میرود.
چرا آزمون متالوگرافی یک ضرورت انکارناپذیر در صنعت امروز است؟
عملیات حرارتی فرآیندی برای مهندسی هدفمند ریزساختار است و متالوگرافی ابزار تایید صحت این مهندسی میباشد. انجام تست متالوگرافی در آزمایشگاه متالورژی بهصورت بصری نشان میدهد که آیا ساختار مطلوب حاصل شده است یا خیر. بهعنوان مثال، این آزمون اثربخشی فرآیندهایی مانند سختکاری را با تایید تشکیل ساختار کاملا مارتنزیتی و فرآیند آنیلینگ را با مشاهده دانههای همگن و بدون تنش به اثبات میرساند.
مزایای دیگر تست متالوگرافی عبارتند از:
- کنترل کیفیت مواد اولیه: اطمینان از انطباق ریزساختار مواد ورودی به کارخانه با استانداردهای تعریفشده. مانند استاندارد ASTM E112 برای تعیین اندازه دانه که مستقیما بر خواص مکانیکی نهایی تاثیرگذار است
- بهینهسازی فرآیندهای تولید: بررسی و ارزیابی تاثیر فرآیندهای شکلدهی مانند نورد، اکستروژن یا جوشکاری
- تحلیل شکست (Failure Analysis): شناسایی علت ریشهای شکست قطعات از طریق بررسی مشخصههای ریزساختاری در محل شکست. مانند شناسایی منشا شروع ترک خستگی یا حالت شکست ترد
- تحقیق و توسعه (R&D): مطالعه و توسعه آلیاژهای جدید، ارزیابی فرآیندهای نوین عملیات حرارتی و درک عمیقتر مکانیزمهای حاکم بر رفتار مواد برای خلق محصولات با کارایی بالاتر

مراحل گامبهگام انجام آزمون متالوگرافی در آزمایشگاه سخت افزا
یکی از حیاتیترین مراحل آزمون متالوگرافی، نمونهبرداری (Sampling) است. انتخاب محل، جهت و روش برداشتن نمونه تاثیر مستقیمی بر صحت نتایج نهایی دارد. نمونه باید نماینده واقعی کل قطعه یا ناحیه مورد بررسی باشد. برای مثال، در تحلیل شکست، نمونهبرداری باید از نزدیکترین نقطه ممکن به محل شروع شکست انجام شود. همچنین، فرآیند برشکاری نباید به دلیل ایجاد حرارت بیش از حد، ساختار میکروسکوپی نمونه را تغییر دهد. به همین دلیل، انتخاب تکنیک صحیح نمونهبرداری توسط کارشناس مجرب، اساس یک تحلیل متالوگرافی قابل اعتماد و دقیق است.
مراحل دیگر عبارتند از:
- برشکاری (Sectioning): استفاده از دستگاههای برش دقیق متالوگرافی مجهز به سیستم خنککاری. برای جداسازی نمونه بدون ایجاد آسیب حرارتی (Thermal Damage) و تغییر در ریزساختار آن
- مانت کردن (Mounting): قرار دادن نمونه در داخل مواد پلیمری (رزین) برای تسهیل جابجایی در مراحل بعدی، محافظت از لبههای نمونه و ایجاد یک شکل استاندارد برای دستگاههای پولیش اتوماتیک
- سایش (Grinding): صاف کردن اولیه سطح نمونه و حذف ناهمواریهای ناشی از برش، با استفاده از سنبادههای استاندارد با زبریهای مختلف، بهصورت مرحلهای از خشن به نرم
- پولیش (Polishing): ایجاد یک سطح کاملا صاف، آینهای و بدون هرگونه خراش با استفاده از پارچههای مخصوص و سوسپانسیونهای حاوی ذرات ساینده بسیار ریز مانند خمیر الماسه
- اِچ کردن (Etching): استفاده از یک معرف شیمیایی خاص (اِچانت) که با نرخهای متفاوتی به فازها و مرزدانههای مختلف حمله کرده و با ایجاد پستی و بلندیهای میکروسکوپی، کنتراست لازم برای مشاهده ریزساختار را فراهم میکند
- مشاهده میکروسکوپی و آنالیز تصویر: بررسی دقیق نمونه آمادهشده توسط میکروسکوپ متالورژی. استفاده از نرمافزارهای پیشرفته آنالیز تصویر برای اندازهگیری کمی پارامترهایی مانند درصد فازها یا اندازه دانه
چه اطلاعاتی از تصاویر متالوگرافی بهدست میآید؟
تصاویر حاصل از آزمون متالوگرافی نقشههایی دقیق و دادهمحور از تاریخچه ترمومکانیکی و وضعیت فعلی ماده محسوب میشوند. یک متالورژیست باتجربه میتواند با تفسیر این تصاویر، اطلاعات حیاتی در مورد فرآیندهای اعمالشده بر قطعه و پتانسیل عملکردی آن استخراج کند. این دادهها به تولیدکنندگان امکان میدهند تا با اطمینان بیشتری در مورد کیفیت محصول خود قضاوت کرده و در صورت بروز مشکل، به سرعت علت ریشهای آن را شناسایی و برطرف نمایند. این تحلیل عمیق، فراتر از هر آزمون مکانیکی دیگری، به درک ماهیت ماده کمک میکند.

مهمترین اطلاعات شامل موارد زیر هستند:
- اندازه و شکل دانهها (Grain Size & Shape): تعیین اندازه دانه طبق استانداردهایی مانند ASTM. این استاندارد ارتباط مستقیمی با استحکام و چقرمگی ماده دارد (قانون هال-پچ). همچنین بررسی یکنواختی و جهتگیری دانهها
- شناسایی و توزیع فازها: مشاهده و تعیین درصد فازهای متالورژیکی مختلف مانند فریت، پرلیت، بینایت و مارتنزیت در فولادها که نشاندهنده نوع و کیفیت عملیات حرارتی انجام شده است
- تشخیص آخالهای غیرفلزی (Inclusions): شناسایی نوع، اندازه، شکل و نحوه توزیع ناخالصیها در ساختار فلز که میتوانند بهعنوان نقاط تمرکز تنش عمل کرده و منشا شروع ترک باشند
- بررسی عیوب ساختاری: تشخیص عیوب میکروسکوپی مانند ترکهای ریز، حفرههای گازی ناشی از ریختهگری (Porosity)، جدایشهای فازی و عدم ذوب کامل در اتصالات جوشکاری شده
- اندازهگیری عمق لایه سختشده: اندازهگیری دقیق عمق لایه سختشده در فرآیندهای عملیات حرارتی سطحی. مانند کربندهی (Carburizing) یا نیتروژندهی (Nitriding) برای اطمینان از دستیابی به مشخصات طراحی
مزایای دریافت خدمات آزمون متالوگرافی از سخت افزا
در مجموعه سخت افزا، ما عملیات حرارتی و متالوگرافی را دو روی یک سکه میدانیم. عملیات حرارتی فرآیندی برای مهندسی هدفمند ریزساختار است و آزمون متالوگرافی، ابزار بازرسی و تایید صحت این مهندسی میباشد. ما با ارائه این دو خدمت در کنار یکدیگر، یک چرخه کامل کنترل کیفیت را فراهم میکنیم. بهعنوان مثال، پس از فرآیند سختکاری، با ارائه تصویر متالوگرافی به شما اطمینان میدهیم که ساختار کاملا مارتنزیتی و مطلوب تشکیل شده است یا پس از کربندهی، گزارش مستندی از عمق دقیق لایه نفوذی ارائه میدهیم.

مزیت رقابتی ما در همین یکپارچگی نهفته است. زمانی که هر دو خدمت عملیات حرارتی و تحلیل متالوگرافی در یک مجموعه انجام میشود، مسئولیتپذیری و شفافیت به حداکثر میرسد. شما یک قطعه عملیات حرارتی شده تحویل میگیرید. همچنین گواهی مستندی از کیفیت ریزساختار آن دریافت میکنید که صحت فرآیند را تضمین میکند. این رویکرد یکپارچه بهمعنای اطمینان خاطر، صرفهجویی در زمان و دستیابی به کیفیتی برتر و قابل اتکا است. همچنین ریسکهای ناشی از عدم انطباق محصول را به طور کامل از بین میبرد.
خدمات آزمون متالوگرافی در آزمایشگاه متالورژی سخت افزا
آزمایشگاه متالورژی پیشرفته سخت افزا با بهرهگیری از تجهیزات مدرن شامل دستگاههای برش و پولیش دقیق، میکروسکوپهای نوری با قابلیت بزرگنمایی بالا و نرمافزارهای تخصصی آنالیز تصویر، آماده ارائه خدمات جامع آزمون متالوگرافی است. تیم کارشناسان ما متشکل از مهندسین متالورژی باتجربه، قادر به انجام تمامی مراحل آمادهسازی و تحلیل نمونه بر اساس استانداردهای بینالمللی هستند. ما گزارشهای فنی کاملی شامل تصاویر باکیفیت از ریزساختار، تحلیل دقیق نتایج، تفسیر فنی و انطباق با الزامات استاندارد را به شما ارائه میدهیم تا با دیدی شفاف، کیفیت محصولات تضمین شود.
سوالات متداول
هدف اصلی آزمون متالوگرافی چیست؟
هدف اصلی، بررسی و تحلیل ریزساختار داخلی فلزات است تا بتوان ارتباط بین ساختار، فرآیندهای تولید و خواص مکانیکی نهایی قطعه را به طور دقیق مشخص کرد.
تفاوت این آزمون با سختیسنجی در چیست؟
سختیسنجی تنها یک عدد از مقاومت به فرورفتگی ارائه میدهد، اما متالوگرافی دلیل آن سختی را با نشان دادن ریزساختار (مانند تشکیل مارتنزیت) به صورت بصری اثبات میکند.
چه صنایعی بیشترین نیاز را به آزمون متالوگرافی دارند؟
صنایع خودروسازی، هوافضا، نفت و گاز، تجهیزات پزشکی، ساخت قطعات صنعتی و هر صنعتی که در آن ایمنی و عملکرد قطعات فلزی اهمیت بالایی دارد، نیازمند این آزمون هستند.
یک آزمون متالوگرافی استاندارد چقدر زمان میبرد؟
بسته به نوع ماده، پیچیدگی آمادهسازی و عمق تحلیل مورد نیاز، این فرآیند معمولا بین 1 تا 3 روز کاری از زمان دریافت نمونه به طول میانجامد.
چرا انجام آزمون متالوگرافی در مجموعه سخت افزا یک مزیت است؟
زیرا ما خدمات عملیات حرارتی و متالوگرافی را به صورت یکپارچه ارائه میدهیم؛ یعنی فرآیند را اجرا کرده و کیفیت آن را با گزارش مستند ریزساختاری تضمین میکنیم.
اطلاعات آزمون متالوگرافی شامل چه مواردی هستند؟
از جمله این اطلاعات میتوان به اندازه و شکل دانهها و شناسایی و توزیع فازها اشاره کرد.